江苏省海门中等专业学校 机械专业学测耗材询价采购公告 询价单 报价单位(公章): 单位:元 序号 | 名 称 | 材质 | 规格型号 | 单位 | 数量 | 单价 | 金额 | 1 | 机电类学测毛坯 | Q235 | 100×65×10 | 块 | 400 | | | 2 | 数控类学测毛坯 | Q235 | 60×50×10 | 块 | 350 | | | 3 | 机械类学测毛坯 | Q235 | 101×60×8 | 块 | 350 | | | 合 计(大写人民币): | |
法定代表人(授权代表)签名: 年 月 日 机电类毛坯图纸: 
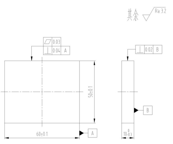
数控类毛坯图纸: 
机械类毛坯图纸: 
备注: 1.投标人的资格要求:符合《中华人民共和国政府采购法》第二十二条对供应商的资格要求。 2.供应商在投标时须提供有效的营业执照副本复印件、法人代表授权委托书原件,授权代表身份证的复印件、诚信承诺函原件,同时须将上述材料及询价报价单一起装订(询价单放至第一页)并密封后(封面注明项目名称、项目编号、投标人名称和投标人及联系电话) 于投标当天带至江苏省海门中等专业学校开标室,逾时作自动放弃处理。上述材料均需随带原件备查。投标时还另需向工作人员提供询价采购供应商报名登记表(详见附件)。 3.本项目开标时间及投标截止时间为2019年11月4日上午9:30(北京时间),开标地点:江苏省海门市滨江街道苏州路299号A楼1310室。招标方在投标截止时间前半小时内接受投标文件。 4.本项目为实训材料,供应商投标时慎重报价,必须按照提供的图纸进行供货,严禁提供劣质产品,中标报价包含所需人工费、售后服务费、运输费、印制费、税金等一切费用。本项目最高限价2.8万元,评标办法:满足全部功能及服务要求,价格最低者为中标人。 5.供应商需对招标方所要采购的全部内容充分了解后进行报价,只报其中部分内容的,为无效报价;不按报价文件组成要求、过时送达或出现选择性报价的为无效报价。 6.供应商在中标结果未宣布前,不得提前离场,否则后果自负。 7.供应商中标后须向采购单位交纳履约保证金1000元人民币。中标公示结束后1天内,中标供应商凭采购单位出具的履约保证金收据至采购单位签订合同。否则视为中标供应商自动放弃中标资格。 8.售后服务:所有实习材料送货前经需方确认,根据需方要求送货至指定地点,送货必须是供应商送货上门,不接受快递、物流等形式送货。 9.付款方式:货物送至指定地点,经业主组织相关人员清点验收,验收合格后供应商开具正规发票,采购方一次性付清合同全额款。履约保证金自验收合格之日起后自动转为质保金2个月后无质量问题退还给中标方。 10.本项目必须于合同签订后3日内完成。如不能按时完成,每延迟一天罚1000元,延迟三天以上(含三天)或供应商提供的货物不正规的,满足不了实习教学需求,采购方有权终止合同,由此造成的后果全部由中标方自行承担。 11.采购联系人:纪老师 电话:0513-82112340 江苏省海门中等专业学校 2019年10月30日 询价采购供应商报名登记表 日 期 | 201 年 月 日 | 项目名称 | | 项目编号 | | 投标单位 名称 | | 法人代表 | | 手 机 | | 授权代表 | | 手 机 | | 联系电话 | | 传 真 | | E-mail | | 邮政编码 | | 通信地址 | | 提交的投标文件资料 | 序号 | 投标资料 | 是否提交 | 备 注 | 1 | 报价单 | | | 2 | 有效的工商营业执照 | | 注册资金: 万元 | 3 | 法人代表授权委托书原件 | | | 4 | 授权代表身份证复印件 | | | 5 | 诚信承诺函 | | | 6 | 投标人认为需要提交的其他资料 | | | | | | | | | | | | |
备注:(1)营业执照、授权委托书、授权代表身份证复印件及正式人员证明、诚信承诺函、报价单等必须提交,否则视为无效投标。 (2)本表由投标人填写,并在递交投标文件时单独递交至工作人员。 法定代表人授权书 江苏省海门中等专业学校: 兹授权(被授权人的姓名、职务)代表我公司参加(采购项目名称)项目的招标采购活动,全权处理一切与该项目招标有关的事务。其在办理上述事宜过程中所签署的所有文件我公司均予以承认。 附:授权代表情况: 姓名:性别:年龄:职务:联系电话: 手机: ___身份证号码: 详细通讯地址:邮政编码:传真: 单位名称(公章)法定代表人(签字) 年 月 日 法定代表人身份证复印件 (粘贴此处) 注:参加投标时授权代表须将身份证原件带至开标现场核查。
诚信承诺函 江苏省海门中等专业学校: 我单位参与贵单位组织的(项目名称及编号)的投标,我单位慎重作出以下承诺: 1、我单位参与本项目投标,提交的投标文件包括资格审查材料均真实可信。证件及有关附件是真实的,绝无提供虚假材料行为。 2、我单位参与本项目投标绝无借资质、挂靠行为。 3、本项目授权代表为本单位正式员工。 4、我单位遵守国家廉政相关规定,无失信、行贿等不良行为。 5、我单位参与本项目投标绝无串标、围标等行为。 6、我单位在参加政府采购活动前三年内,在经营活动中没有重大违法记录。 7、如中标,我单位在中标公示结束后1天内领取中标通知书并签订合同。 8、如中标,我单位将按照招标文件规定并在中标通知书规定的时限内与采购单位签订合同。 9、如中标,我单位将按照招标文件规定以及投标文件中承诺的相关事项向招标人提供完整相关证明材料或配合采购人做好相关工作。 若我单位未能兑现以上承诺,愿意放弃本项目中标资格,愿意放弃收回本项目全部投标保证金的权利,愿意被招标人列入政府采购黑名单1-3年,愿意接受招标人和监管部门的其它处罚,并愿意承担因违反上述承诺内容所引发的一切责任与后果。 投标人(盖公章): 法定代表人或授权代表(签字): 年 月 日
|